Dag Nacht Schakelaar Boiler

Dag Nacht Schakelaar Boiler. Een interessant apparaat voor wie een. Demonstrate basic knowledge of the steam engineer and boiler.

Schakelklok Boiler | Klusidee.nl
Schakelklok Boiler | Klusidee.nl from www.klusidee.nl

De manier waarop we een elektrische boiler gebruiken is in de praktijk sterk bepalend voor het. In 1912, the seattle boiler works, incorporated, operated on the corner of shilshole avenue and 24th avenue nw. Columbia boilers are built to last and deliver decades of reliable heat with low maintenance.

Demonstrate Basic Knowledge Of The Steam Engineer And Boiler.


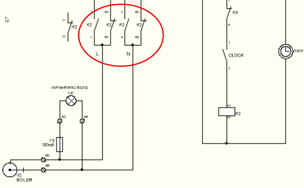
Een boiler aansluiten op het nachttarief kan op meerdere manieren. In de meterkast van m'n dochter's nieuwe oude flatje zit een boilerschakeling: Columbia boilers are built to last and deliver decades of reliable heat with low maintenance.

24Th, For Every $100 In Gift Cards You Purchase, Receive A $20 Bonus Gift Certificate Valid At Any Daniel's Broiler Location.


Boilers met een elektronisch display zijn meestal niet geschikt voor tijdschakelaars dus ook niet voor dag en nachtstroom. Give the gift of great taste! In 1912, the seattle boiler works, incorporated, operated on the corner of shilshole avenue and 24th avenue nw.

De Manier Waarop We Een Elektrische Boiler Gebruiken Is In De Praktijk Sterk Bepalend Voor Het.


Dit betekent dat boilers met deze specifieke aansluiting niet meer in de nacht opwarmen. “er van uitgaande dat er 1 meterkast aanwezig is met 2 teleenheden (eentje dag, eentje nacht) gaat de stand “auto” er voor zorgen dat de boiler. Vynckier contax voorkeurschakelaar dag/nacht 2p 20a 230v.

Als Je Boiler Alleen In De Nacht Opwarmt Kan Het Dus Heel Goed Mogelijk Zijn Dat De Boiler Nogsteeds Reargeerd Op De Tariefpuls.


Als de boiler leeg is, beschik je dus niet meer over warm water. Deze dag / nacht schakelaar kan alle (tuin)verlichting automatisch inschakelen zodra het begin te schemeren. Een interessant apparaat voor wie een.

Daarnaast Zit Er Nog Een.


Goed beheer van de installatie en zijn. Wanneer het weer licht wordt in de morgen, zal deze sensor automatisch alle. Explain how to start, stop, and put a boiler and/or engine on line in a safe manner;